當直流屏電源系統中負極或正極對”地”絕緣電阻值低于某一規定值,或降低至某一整定值時,稱這個直流系統中有負極接地故障或正極接地故障。直流電源的正極接地會使保護自動裝置產生誤動的可能。通常一般的繼電器和跳合閘線圈與電源的負極相連接,如果這些回路發生再次直流接地的狀況,就有產生誤動的可能。所以當發生接地時,及時采用良好的儀器和準確的判定方法查出并消除故障,對電網的安全穩定運行具有十分重要的意義。
直流屏接地的定義、產生與危害
1直流系統接地定義
當直流系統的正極或負極與大地之間的絕緣水平降到某一整定值或低于某一規定值時,稱為直流系統接地;當正極絕緣水平低于某一規定值時稱為正接地;當負極絕緣水平低于某一規定值時稱為負接地。
2正極接地危害
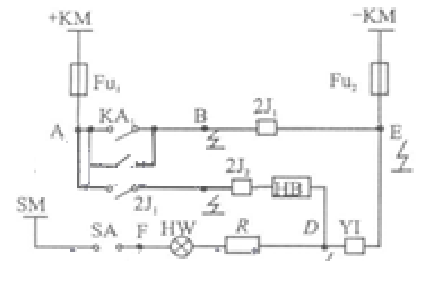
如圖1所示,當圖中的A點和B點同時接地,相當于A、B兩點通過大地相連接起來,中間繼電器2J1動作生成斷路器的跳閘。同理,當圖中的A點和C點同時接地,或圖中的A點、D點同時接地均可能生成斷路器的跳閘。

圖1
3排查方法
當無法準確判斷故障回路時,通常采用的方法稱為”拉路法”。直流接地回路一旦從直流系統中脫離運行,直流母線的正負極對地電壓就會出現平衡。所以人們通常將直流接地回路瞬間停電,確定直流接地點是否發生在該回路。
直流系統是個不間斷電源,基于其特殊性,人們不能隨意停電。近年來隨計算機的大量使用,微機保護同樣也不允許人們隨意斷開直流電源。現場排除故障時,經常發生非正常的閉環回路,采用雙電源供電回路,以及變電站在現場施工、擴建、修試過程中遺留了直流負載的信號回路、控制回路和保護回路之間沒有區分等,使直流接地故障查找難度增加。”拉路法”往往造成了控制回路或保護回路跳閘等事故。
因此,在新型直流屏中,各直流回路分類清晰,由專用斷路器控制投退,可以通過操作控制開關或保險來進行”拉路”檢查;當面對許多直流回路交叉嚴重,無明確控制開關的舊直流系統時,一般通過打開某直流回路特定電纜接頭的”打頭法”進行分段排查。”打頭法”實際上是拉路法的一種延伸應用。